Thân khoá, DT 700c, DT 710c và DT 400 917.81.761
- 65 lượt xem sản phẩm
- Giá Bán : 1.549.800 đ 2.214.000 đ
- Mã SP : 917.81.761
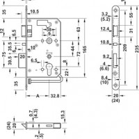
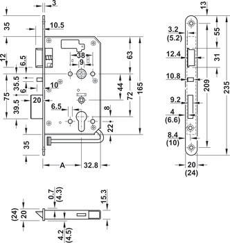
- backset 65 mm, độ dày mặt thân khóa 24 mm, cạnh tròn, mở trái tiêu chuẩn DIN, chức năng tiện nghi mở cửa hướng vào trong, inox mờ
-
( Liên hệ chúng tôi để có giá tốt hơn )
- Hướng dẩn mua hàng
Thân khoá, DT 700c, DT 710c và DT 400 917.81.761
Chi tiết sản phẩm
Chiều rộng mặt thân khóa: 24.00 mm
Forend: Bản lề tròn mặt thân khóa bằng phẳng
Cấu tạo cửa: Không rãnh
Backset: 65.00 mm
Nguyên tắc vận hành: Xác định chức năng tiện nghi
Cửa có thể mở vào trong hoặc ra ngoài không kể bên lắp đặt.
Mặt bên với chức năng tiện nghi sẽ được đánh dấu bằng nhãn.
Chức năng mở cửa khẩn cấp
Chức năng mở cửa khẩn cấp được giám sát. (Phản hồi)
Mở cửa từ bên ngoài: Chốt cài và chốt chết rụt vào với ruột khóa (thay đổi).
Mở cửa từ bên trong: Chốt cài và chốt chết rụt vào bằng cách gạt tay nắm gạt.
Version: có chốt cò gió, Cáp kết nối cho khớp nối điện và cảm biến để kết nối với mô-đun mặt trong DT 400
Function: Có chức năng tiện lợi, Với chức năng mở khẩn cấp, Có phản hồi, Có thể khóa bằng điện (trong trường hợp tay nắm bên ngoài bị kẹt)
Đối với loại cửa: Cửa chống cháy và kiểm soát khói
Material: Mặt thân khóa: Inox
Chốt cài và vỏ khóa: Thép
Lỗ trục tay nắm: Gang dẻo
Màu sắc/lớp hoàn thiện: Vỏ khoá: Màu đen, Mặt thân khóa: Mờtay nắm xếp: Mạ nikenvỏ khóa: Mạ kẽm
Chuẩn bị cho: Ruột khóa
Độ lệch tâm chốt chết: 1 vòng
Lỗ trục tay nắm: 9.00 mm
Khoảng cách: 72.00 mm
Loại mở khóa: Điện cơ học
Tiêu chuẩn: Chứng nhận theo tiêu chuẩn EN 12209:2003 / AC:2005
Tham chiếu đơn hàng
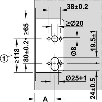
Tấm ốp khóa không được cung cấp cùng với thân khóa màu đồng bóng với chiều rộng mặt thân khóa 20 mm và thân khóa với chiều rộng bản lề 24 mm. Vui lòng đặt mua tấm ốp khóa riêng cho những phiên bản này.
Vít mặt thân khóa được cung cấp phải được lắp đặt với cỡ khóa 55 mm.
Trọn bộ gồm
1 thân khoá
1 đinh vít mặt thân khóa (chiều dài bản lề/vít 55/70 mm; 65/80 mm; 80/90 mm); lắp đặt bắt buộc
1 mặt thân khóa, tròn hoặc vuông, inox mờ hoặc bóng, màu đồng bóng, mờ đen,
2 vít cố định, phối hợp màu
CHÍNH SÁCH BÁN HÀNG CỦA Techhomes
+ Thời gian bảo hành cho các thiết bị vệ sinh là 5 năm, thiết bị điện tử là 2 năm, phụ kiện cửa là 1 năm, các sản phẩm phụ kiện Blum là trọn đời sản phẩm đồ gỗ.
+ Techhomes chỉ miễn phí giao hàng với đơn hàng có giá trị từ 10,000,000 VND trở lên nội thành HCM, những đơn hàng dưới giá trị quy định sẽ được tính phí giao hàng hoặc khách hàng nhận tại showroom Techhomes tại 132 Nguyễn Trọng Tuyển , Phú Nhuận , TP HCM.
Chi nhánh : 283/57 Cách Mạng Tháng Tám, Phường 12, Quận 10, TP HCM
+ Techhomes sẽ miễn phí lắp đặt đối với các sản phẩm thiết bị gia dụng nhỏ và các mặt hàng điện tử, các mặt hàng khác Hafele chỉ hỗ trợ khách hàng hướng dẫn lắp đặt và sử dụng trong nội thành TP HCM
Đánh giá và nhận xét " Thân khoá, DT 700c, DT 710c và DT 400 917.81.761 "
Sản phẩm khác
-
Mô-đun mặt trong, Mô-đun bên trong có núm vặn, DT700C và DT710 917.63.273
8.316.000 đ5.821.200 đ






































